Gallery







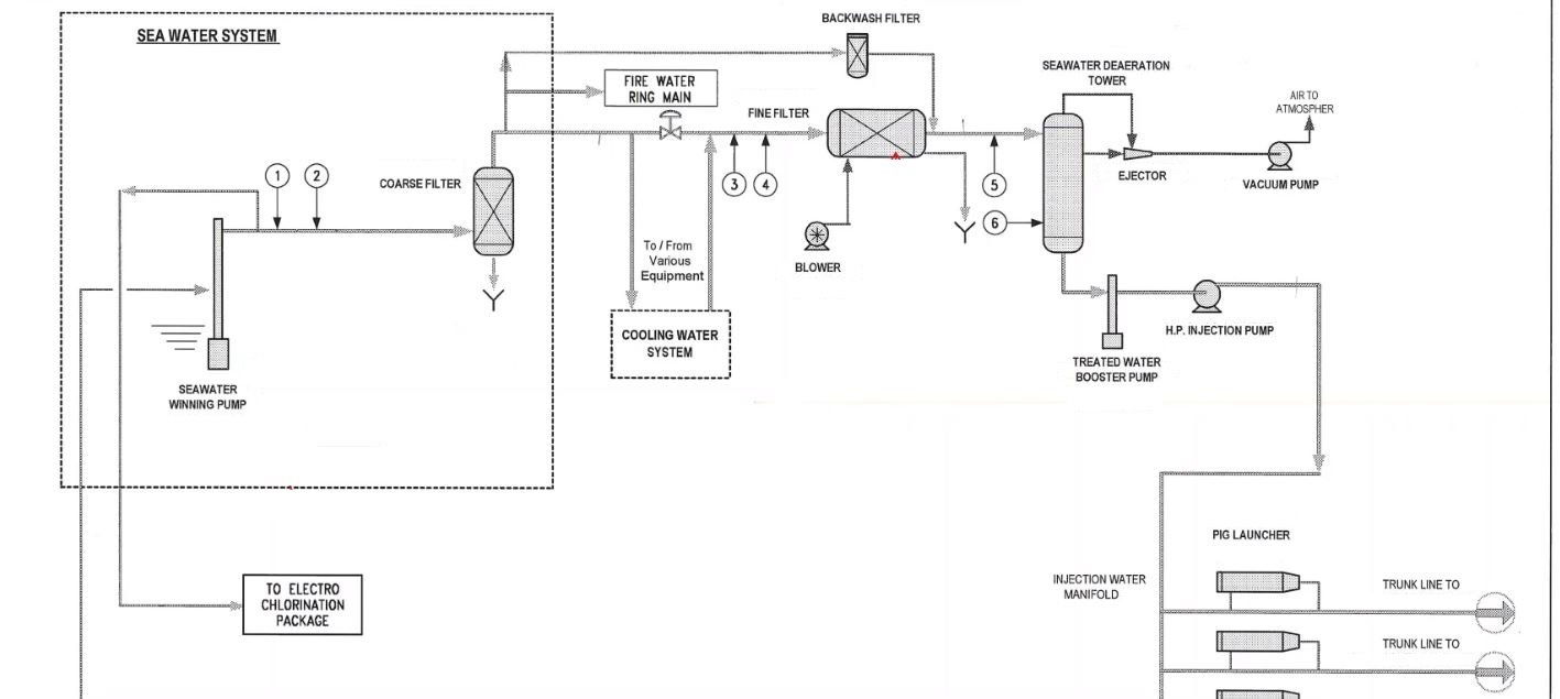
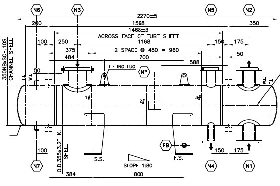
Job/project: DEBOTTLENECKING OF WATER INJECTION FACILITIES: FEED project to modify the existing water injection facilities at Zakum Central Complex to increase injection capacity to 1200 MBPD (1300 MBPD peak), there’re several Static/Package equipment (Electro Chlorination Package, Fine Filter Vessel Upgrade, Deaerator Internal Replacement, Chemical Storage Tank, Ejector, etc.) for which we’ve carried out FEED deliverables, end user as ADNOC and consultant as Worley. Project started and ended in short time/period.
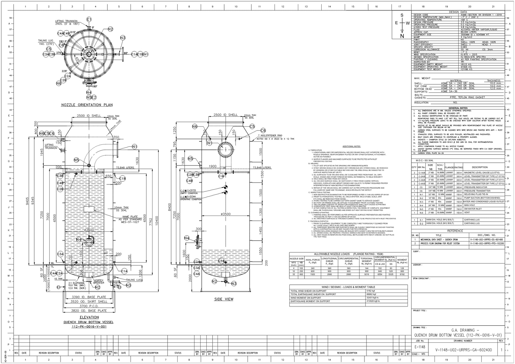
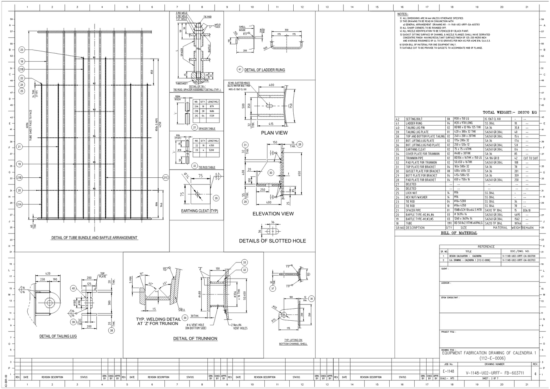
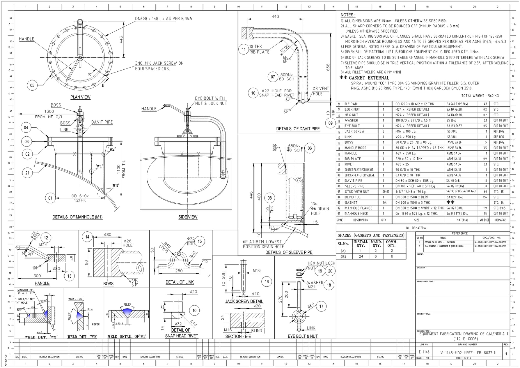
Job/project : SKID MOUNTED PACKAGE: Design and Detailing of 3 different types of Skid Mounted Packages (ETHANOL DEHYDRATION PACKAGE, FALLING FILM EVAPORATOR PACKAGE & RELIEF SYSTEM PACKAGE) for which we've executed / supported for various activities like 3D Modeling, Calculation / Analysis, GA / Fabrication / Manufacturing Drawings along with our associates, IOCL as end user, Engineering Consultant / Contractor as L&T and Supplier as URIEL, this project took a bit longer time due to client stringent requirement along with pandemic situations, overall project was very interesting, challenging and ended up with satisfaction.




























Job/project : API 650 CONE ROOF STORAGE TANK: Received/completed a order for 80 number of Storage tanks detailing, these are 23 different types of tanks, these tanks are in the range from 50KL to 600KL capacity, most of the tanks are constructed with SS material, end user as Asian Paint and consultant as JACOB. Project was successfully completed in so many worst scenario with small team in low budget
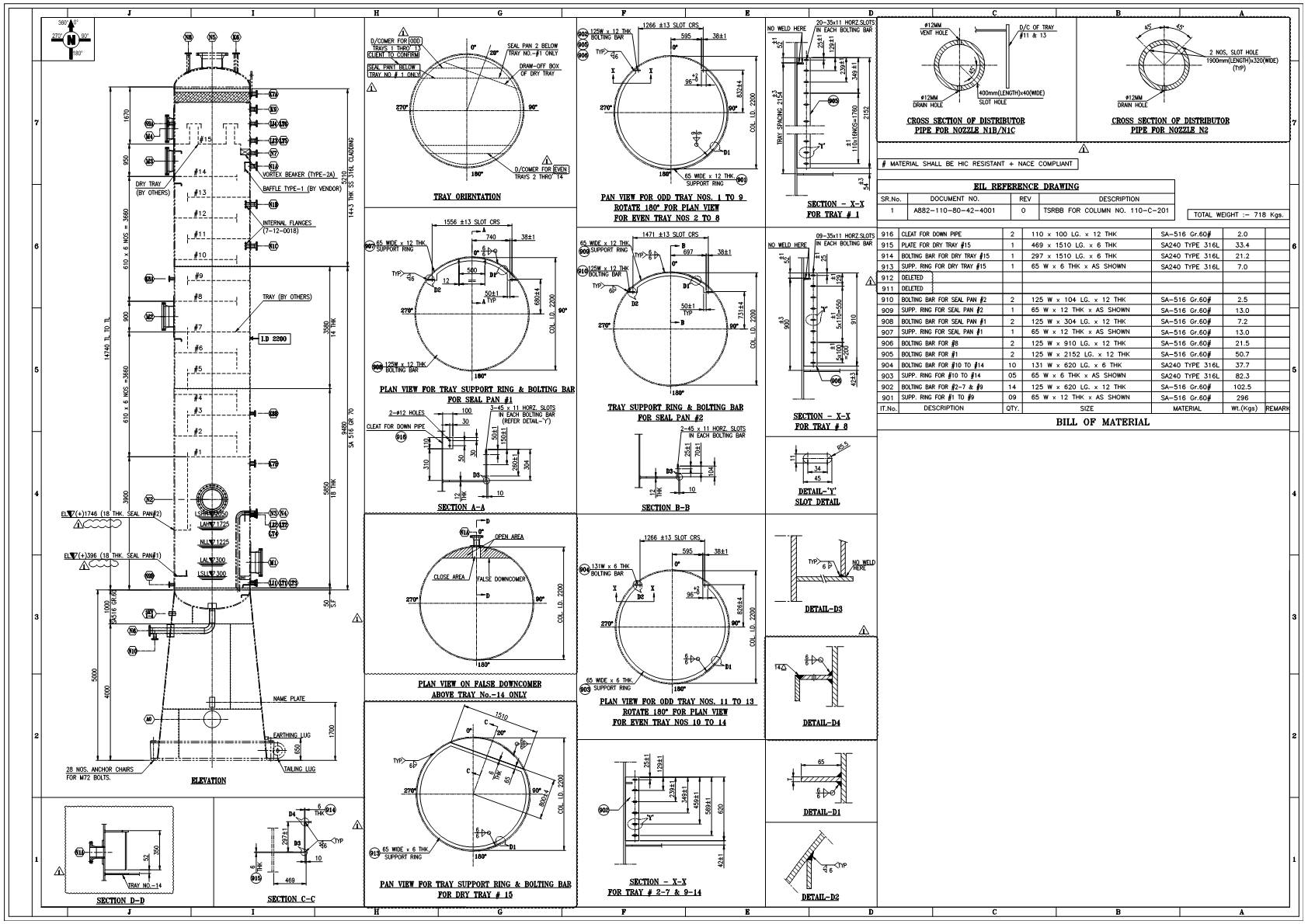
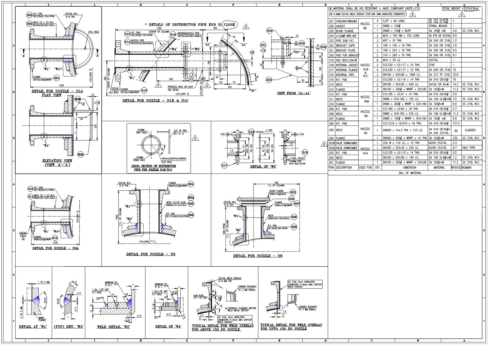
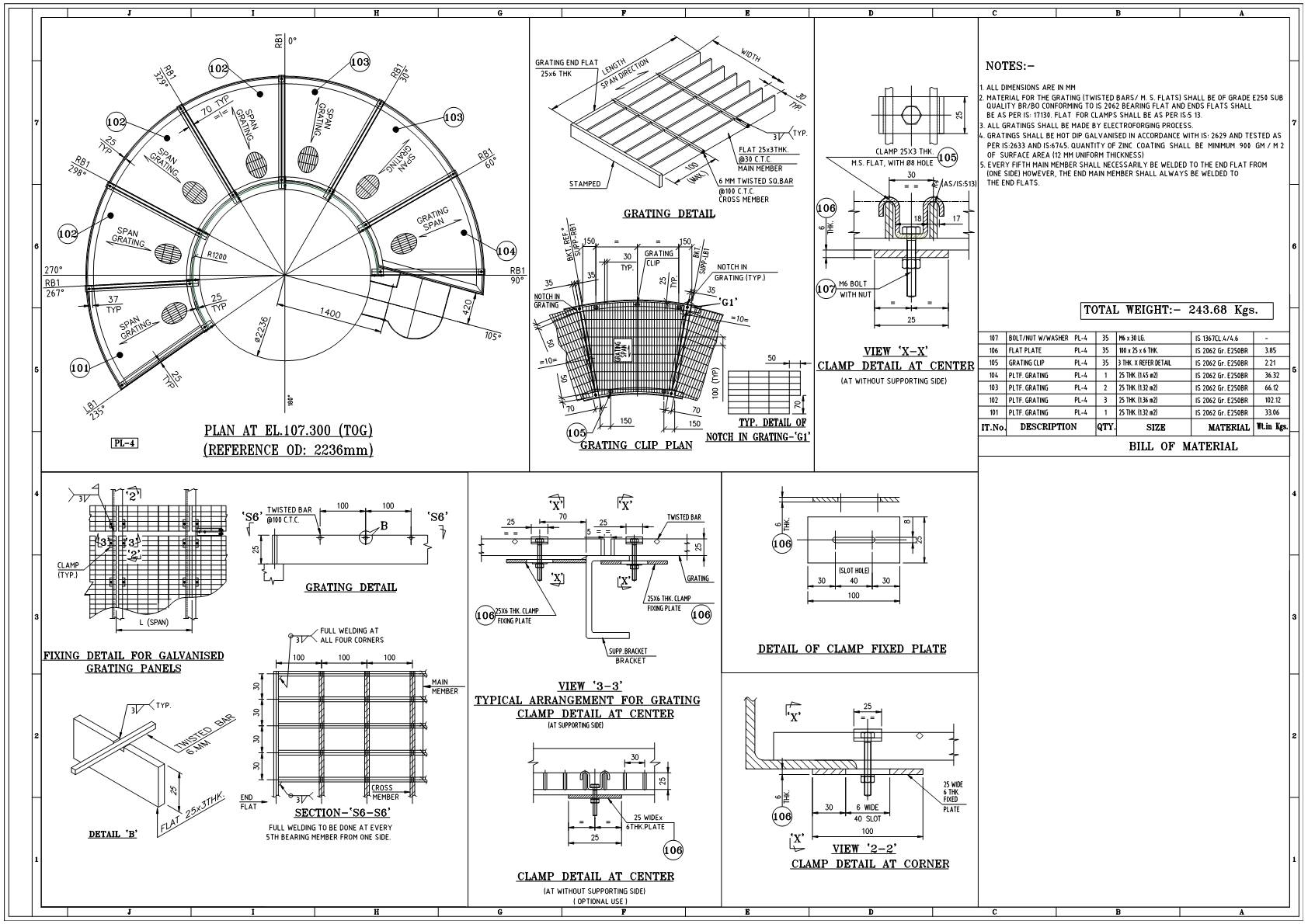
Job/project : PROCESS COLUMN DETAILING: There are 13 different types of process column detailing including platform, each column contains at least 40 no. A1 size drawings, end user are HPCL, BPCL & IOCL and consultant as EIL. Project was very interesting, we've successfully completed with small team in tight budget
















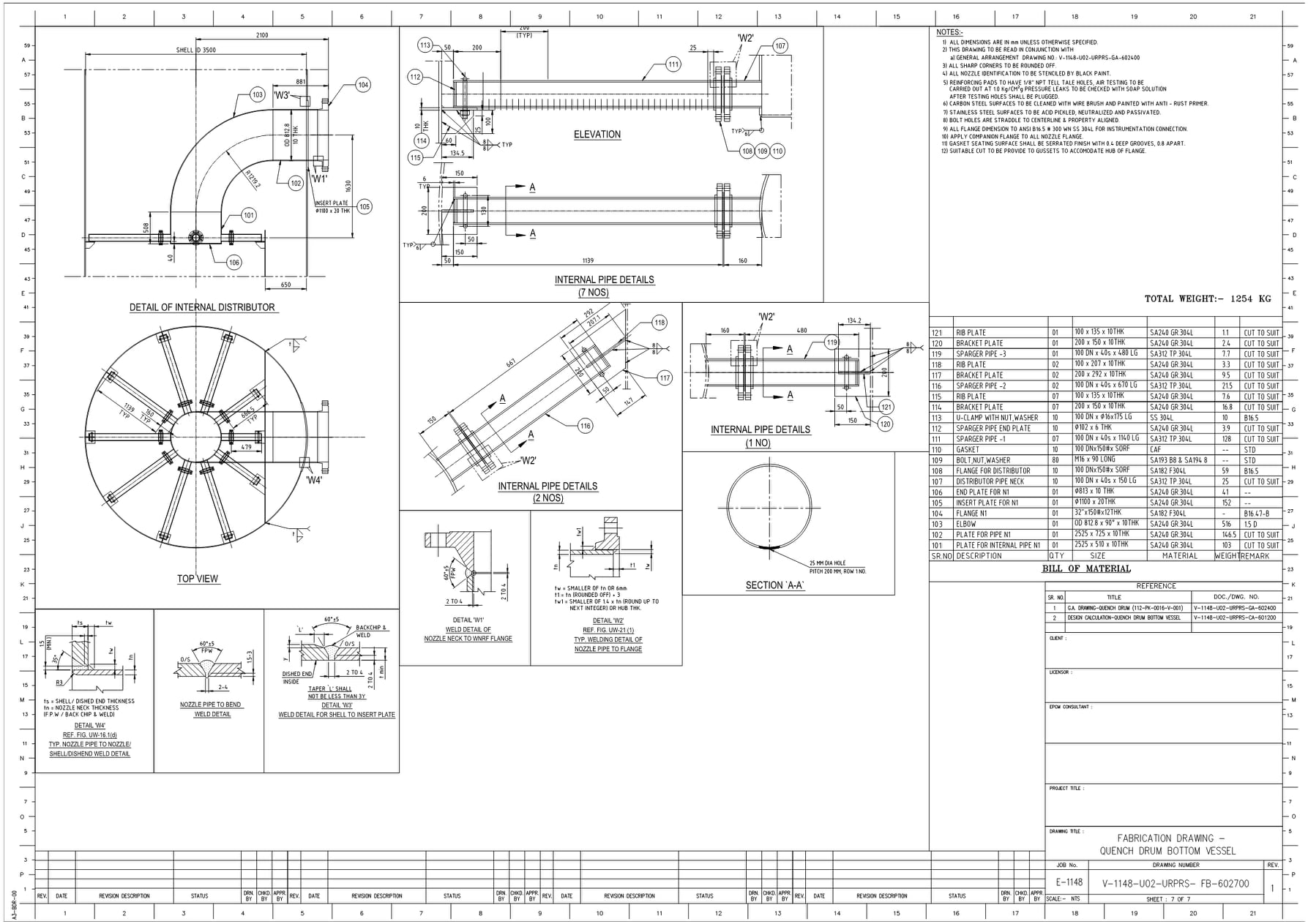
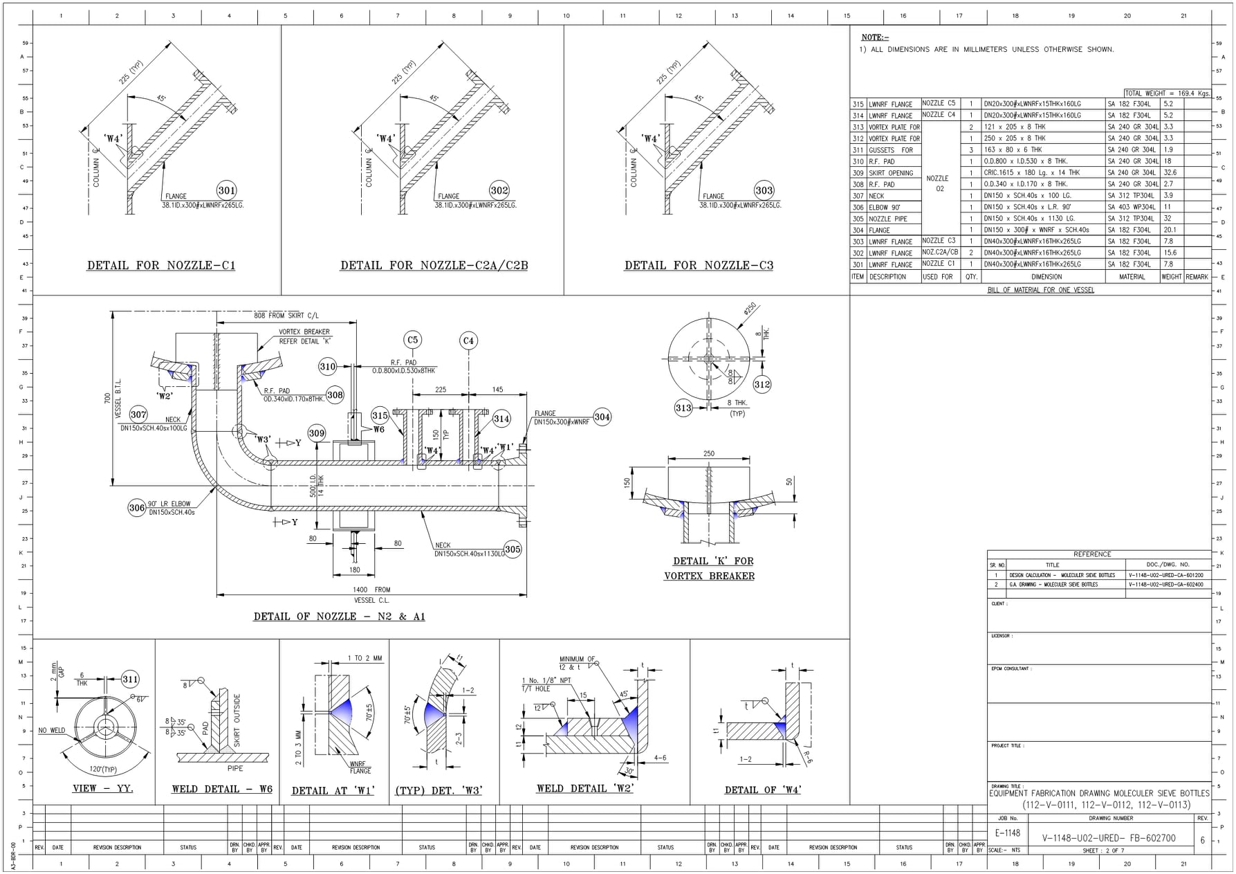
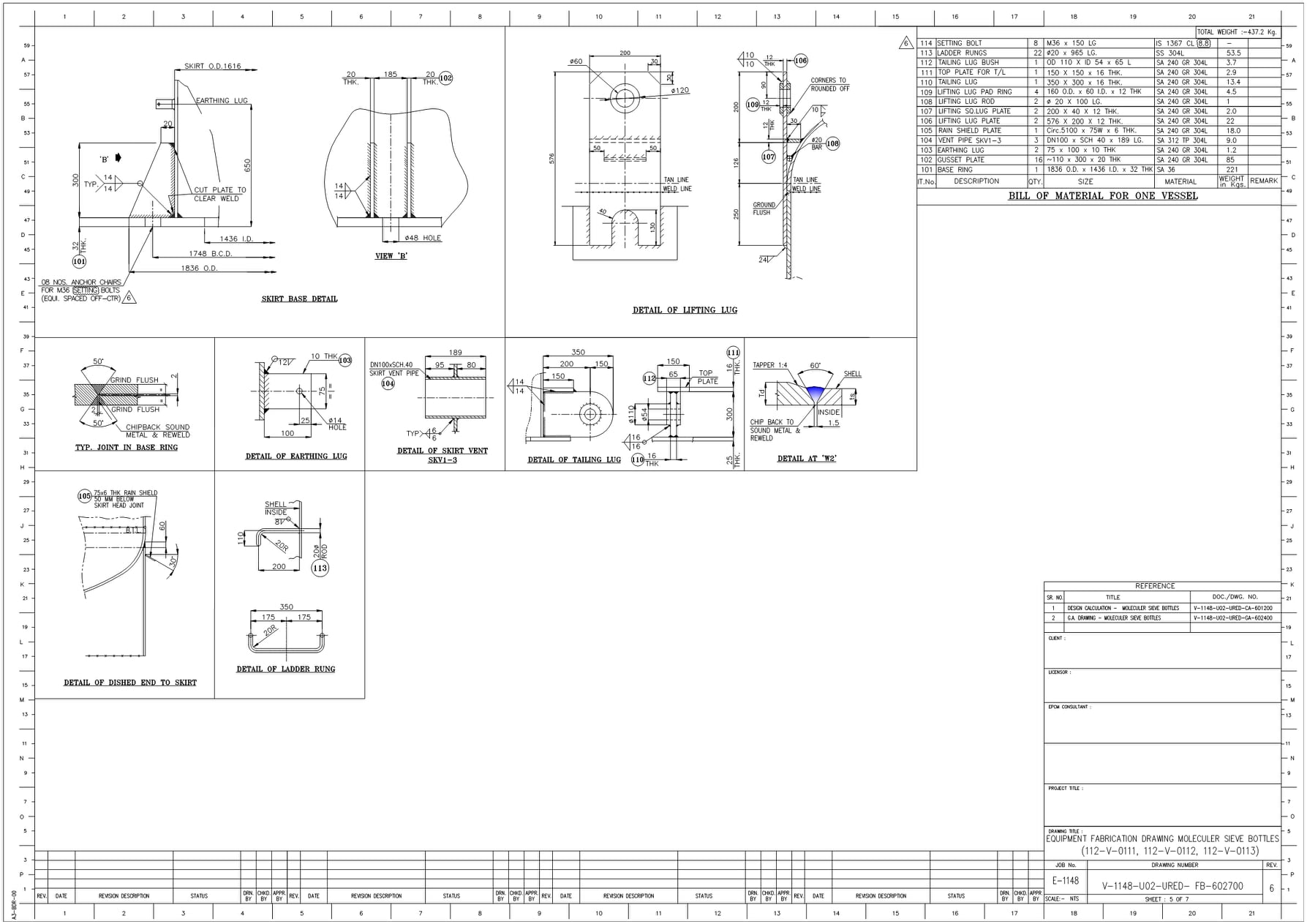
DRAFTING/DRAWINGS